右

如何看懂plc电路图?看plc电路中接线图的方法

2023-03-07

  松下伺服电机代理—日弘忠信今天给大家讲讲如何看懂松下plc电路图?看plc电路中接线图的方法。plc就是可编程控制器,其控制电路图除了电气接线图外,主要是其内部的梯形图。梯形图与一般电气控制线路图差别不大。就是“线圈通电,触头改变状态;线圈失电,触头恢复原状”。

  看含PLC的电路图,首先应该知道其梯形图中图形的含义(如线圈和触头的符号用什么表示,其功能是什么等)然后了解其文字符号的含义。最后注意其输入/输出通道的连接情况。

  它和普通的电路图一样,有常开,有常闭 ,

  简单的输入输出可以这么看:

  X端子是输入

  Y端子是输出

  可以把PLC看做一个集成了的大继电器

  较为复杂点的有A/D、D/A和脉冲等。一般的设备都有它配套参考书,仔细看看。

plc可编程控制器

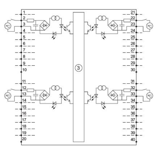
  这个是PLC的开关量输入(DI)模块的接线示意图,大方框内表示内部电路板线路,大方框外表示各个DI信号接线图,以数字表示端子编号,共有16个DI信号通道。

  如通道2-3:外部连接一个开关和电源(该符号表示直流、交流电源均可),与内部线路形成回路,直流/交流电源经过限流电阻、整流桥形成内部的直流电源,经扼流线圈给光电耦合开关、发光二极管工作。光电耦合开关的信号传给内部处理,发光二极管用做状态灯以便辨识通道2-3外电路是否接通。其他通道与此相同。

  PLC不需要电路图,看你要实现神魔功能,写合适的梯形图。PLC是根据需要定制的,会随机带接线图的!它的接线图一定会非常详细,照图接线就行。

  关于如何看懂plc电路图?看plc电路中接线图的方法的知识点,想要了解更多的,可关注松下伺服电机官网,如有需要了解松下PLC、松下传感器、松下伺服电机、松下伺服马达的相关技术知识,欢迎留言获取!

上一个: 松下伺服电机有哪些特点?松下伺服电机的三大特点

下一个: PLC的调试步骤具体是怎样的?plc程序的调试步骤

相关新闻